Mau Flora is the 4th farm of Fontana group between Elburgon and Molo in the Rift Valley – Kenya.
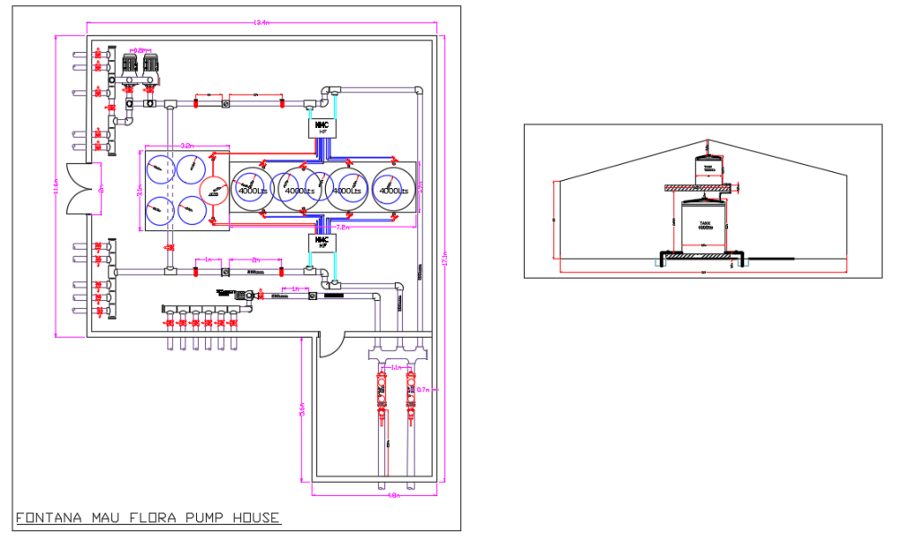
Taking advantage of 60 m altitude difference within the property is not simple: Placing the operational reservoir at the top of the farm you will enable us to irrigate most of it by gravity, but the automated filtration and the Fertigation unit (CFU) requires minimum 3 bare to function well.
What you can see at the design above and the photos below is the solution: A pair of 280 mm gravity pipes laid from the bottom of the operational reservoir to the CFU that placed at the lower side (top side of the map). from there it is divided to different pressure zones each pumped only to the additional required pressure.
























